轴类锻件的锻造工艺规程制定
文章出处:未知
人气:
发表时间:2017-03-13 11:21
轴类锻件的工艺规程是锻造企业在指导、组织锻造生产,确保轴锻件品质的技术文件。根据零件图绘制轴锻件图。
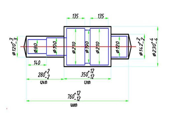
锻件图是编制锻造工艺过程、设计工具、指导生产和验收锻件的主要依据。它是在轴锻件图的基础上考虑加工余量、锻件公差、锻造余块、检验试样及操作用夹头等因素绘制而成 确定轴锻件的形状:锻造时零件上有些不能锻出的部分需加余块,以简化锻件的形状和操作工艺,但这样会增加金属的消耗和机械加工工时,余量的大小必须保证轴锻件在锻造厂下一步的机械加工时能获得轴零件所需要的尺寸和表面粗糙度。绘制锻件图应结合锻造的具体情况来确定。所绘零件图如下:

锻造企业为了便于锻造,在绘制轴锻件图时应遵循以下规则:
1、为了方便起见,锻件的基体尺寸的尾数可简化为5或0。
2、轴锻件的外形用粗实线描绘,为了便于了解零件的形状和检查锻造后的实际余量,对某些复杂的轴零件或大批量生产的锻件,应在锻件图上用点划线描绘出零件的主要轮廓形状。
3、轴锻件的基本尺寸和公差标注在尺寸线上面,而零件的基本尺寸标在尺寸线下面的括号内。
4、锻造厂在轴锻件图上注明锻件的总长度和各部分长度(凹档和***后锻造的那一部分可不必标注长度)。注明各部分长度时应选择一个基准面(直径***大的台阶或法兰)。从这里开始向两个方向标注。带凹档的锻件可以选择几个基面,但基面的数目应力求***少。
5、在轴锻件图上还需要注明一些特殊余块、热处理吊头、力学性能试验用的试棒、机械加工用的夹头等的位置。
6、零件上加余块,锻件的公差加加工余量***后,按机械制图的规则绘制锻件图如下,尺寸线下面的尺寸为零件图尺寸,并用括弧注明。

下一篇:轴锻件拔长操作方法及注意事项
上一篇:轴锻件的锻造加工变形过程及选用工具

关注公众微信号 